
HGF4-72型A式玻璃钢离心通风机
HGF4-72型玻璃钢离心通风机是我司在原 4-72型风机基础上设计改良的一款高效率、高性能、低耗能环保风机。此机型外形更加适合气体流动性能,其尺寸能与风管较好地配套。 HGF4-72系列玻璃钢离心风机是参照金属 4-72型通风机性能参数基础上设计改良而采用进口乙烯聚氨脂复合材质制作而成。该系列风机可输送含酸碱成分及化学成分的腐蚀性气体,所输送气体不允许含有粘性物质、所含粉尘及硬质颗粒≤150mg/m3、气体温度≤80℃、相对湿度≤100%。该系列风机具有强度高、重量轻、不易老化、耐腐蚀性能良好、噪音低、运转平稳等特点,是一种高效率、高性能、低耗能、通用型防腐风机。该系列风机广泛应用于化工、电镀、氧化、发电厂、化验室、线路板、环保设备等含有腐蚀性气体的场所。HGF4-72 type Glass FRP centrifugal fan
HGF4-72 series glass FRP centrifugal fan is a high efficiency, high performance and high energy saving fan designed by our company on the basis of the original 4-72 type fan. The shape of the model is more suitable for gas flow performance, and its size can be matched well with the wind pipe.The HGF4-72 series FRP centrifugal fan is designed and improved based on the performance parameters of the 4-72 metal fan, and is made of vinyl resin composite material. The series of fans can transport the corrosive gases of the caomponents of acid and alkali and chemical components. The gas is not allowed to contain viscous substances, dust and hard particles is less than or equal to 150mq/m3, the gas temperature are less than 60, the relative humidity is less than 100%. This series of fans have the characteristics of high strength light weight, not easy to aging, good corrosion resistance, low noise and smooth operation. It is a versatile anti-corrosion fan with high efficiency, high performance and low energy consumption. This series of fans are widely used in chemical, electroplating, oxidation, power plants, laboratory, circuit board environmental protection equipment and other corrosive gases.|
机 号 Model(No) |
||||
|---|---|---|---|---|
|
功 率 Power(Kw) |
转 速 Speed(r/min) |
流 量 Volume(M3/h) |
全 压 Pressure(Pa) |
|
| 3A | 1.5 | 2900 | 1000-3420 | 400-1800 |
| 0.75 | 1450 | 500-2025 | 100-450 | |
| 4A | 3 | 2900 | 5000-8100 | 1200-2000 |
| 1.5 | 1450 | 2500-4050 | 300-500 | |
| 5A | 15 | 2900 | 8346-16691 | 3442-2180 |
| 7.5 | 2900 | 9000-14400 | 1280-2400 | |
| 2.2 | 1450 | 4500-7200 | 320-600 | |
| 6A | 5.5 | 1450 | 7560-14580 | 473-1050 |
| 4 | 1450 | 7000-13500 | 450-1000 | |
| 7A | 11 | 1450 | 11000-23000 | 800-1600 |
| 7.5 | 1450 | 8500-17500 | 600-1200 | |
| 8A | 7.5 | 960 | 13200-21000 | 950-1650 |
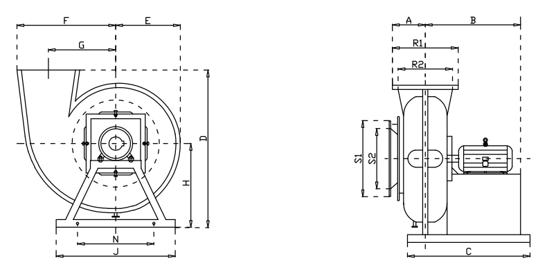
产品为人工实物测量会有一定误差,相关数据仅作参考,以收到的实物为准。 单位Unit: mm(毫米)
| 机 号 | |||||||||||||||
|---|---|---|---|---|---|---|---|---|---|---|---|---|---|---|---|
| 入风口 Air inlet | 出风口 Vent | 机架尺寸 Frame size | 90o向本体尺寸 90degree dimension to body size | ||||||||||||
| NO | |||||||||||||||
| S1 | S2 | R1 | R2 | J | N | K | A | B | C | D | E | F | G | H | |
| 3A | 343 | 243 | 330 | 243 | 470 | 366 | 485 | 165 | 385 | 338 | 727 | 290 | 403 | 282 | 445 |
| 4A | 400 | 300 | 427 | 340 | 520 | 395 | 515 | 213 | 473 | 405 | 950 | 367 | 453 | 283 | 542 |
| 5A | 500 | 400 | 505 | 405 | 600 | 440 | 615 | 270 | 563 | 510 | 1147 | 430 | 620 | 372 | 640 |
| 6A | 615 | 500 | 655 | 530 | 675 | 490 | 715 | 327 | 653 | 610 | 1344 | 493 | 787 | 460 | 740 |
| 7A | 720 | 600 | 725 | 605 | 750 | 537 | 816 | 385 | 743 | 715 | 1542 | 556 | 955 | 548 | 840 |
| 8A | 860 | 720 | 830 | 735 | 825 | 585 | 847 | 440 | 833 | 817 | 1735 | 620 | 1120 | 636 | 935 |
欢迎进入“万通风机”官方网站
Welcome to Wantong Xingfeng official website
![]() |
广州市万通通风设备有限公司 广州市万通通风设备有限公司(注册商标:万通星风)是一家研发、生产、销售、安装通风设备、大气污染防治设备的多元化专业性企业。产品广泛用于:电镀、化工、电子、电气、线路板、机械、电站、电厂、科研、医院、实验室、矿业、冶炼、橡胶、林业、皮革、纸业、陶瓷、模具车间、汽车制造,新能源机械等配套以及各种含有腐蚀性气体的场合。每一个产品都见证了万通的品质,让万通立足全国,走向世界!经过十几年发展“万通星风”已汇聚了一群技术精湛,经验丰富的专业技术人员,引进消化国内外先进技术,是国内拥有自主研发大气污染防治设备、防腐风机能力的厂家。“国际品质、万通打造” 全国服务热线: |
广州总公司
Guangzhou General Corporation
![]() |
销售电话: |
![]() |
官方网址: |
![]() |
电子邮箱:wantongfj@qq.com |
![]() |
![]() |
地址:广州市番禺区沙湾镇动车街33号之二 路线:广州地铁3号线到番禺广场站下,换乘公交车番68路、到古东村总站下。 |
|||
公司地图
Company map
咨询:HGF4-72型玻璃钢风机
* 为必填项
广州市万通通风设备有限公司
销售电话:
ONLINE CONSUL TATION